依愛技術資料
聯系我們
- 聯系人:郭經理
- 傳真:010-69552656
- 電話:400-0346-119
- 電話:010-57491119
- 郵箱:506665119@qq.com
- 地址:北京通州區M5運河1號3號樓403室
依愛J-EI6043N輸入輸出模塊
時間:2018-11-01 13:25:08 品牌:
![[!--oldtitle--]](/d/file/baojingshebei/2018-11-01/18ae02e4ba921206e7ee4f1e438b983f.jpg)
·電子編碼,唯一ID,控制器在線編址或編碼器設地址,自動登錄,安裝調試方便。
·輸入、輸出端口可單獨編程,分別使用,亦可組合使用。
·可檢測來自設備的信號輸入線及模塊輸出線斷路故障。
·可檢測24V斷線故障。
·新型插拔式結構,安裝、接線方便。
二、J-EI6043N輸入輸出模塊技術指標
使用環境溫度 :-10°C~+50°C
使用環境濕度:<95%RH(不凝露)
總線工作電壓:24V脈動電壓
線制:兩總線(無極性)
24V電源:DC24V±1015%DC24V電源(無極性)
監視電流:<0.4mA(總線);<2.0mA(DC24V)
總線長度:≤2000m
動作電流;:
<2mA(總線)
<25mA(DC24V)
負載電阻:1/4W47kW(白色套管)
繼電器觸點 :一組無源常開常閉觸點,DC30V/1A
外殼防護等級:IP30
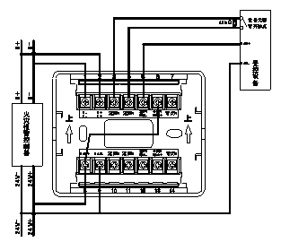
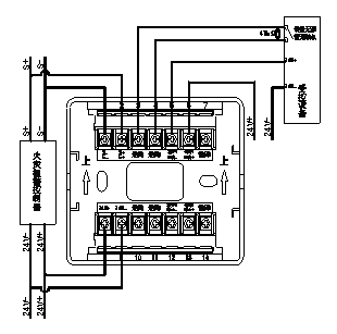
三、J-EI6043N輸入輸出模塊安裝接線
安裝:
輸入/輸出模塊一般安裝在受控設備附近,也可集中安裝于模塊箱內。
安裝模塊時,先用M4螺釘將底座固定在DH86預埋盒上,接線完畢后,將模塊扣合在底座上。
接線:
不可直接控制交流強電,應通過中間繼電器轉換!
模塊的“返回”端應接設備的無源觸點,不能接有源信號!
S+和S-接系統總線,無極性連接。“常開1”、“公共1”和“常閉1”對應模塊內部繼電器的一組無源觸點,“常開2”為另一組有源觸點。模塊動作后,常開1和公共1短路,同時常開2通過繼電器的另一組觸點與端子8短路,將端子8的信號引至常開2。另外,端子9與10已在模塊內部短路。
“返回1”連接到外部設備的無源反饋端,用于確認外部設備是否動作。外部設備無源反饋端應并接47kΩ負載電阻,否則會報斷線。
請勿控制聲光和警鈴。聲光和警鈴可使用J-EI6047N模塊控制。







